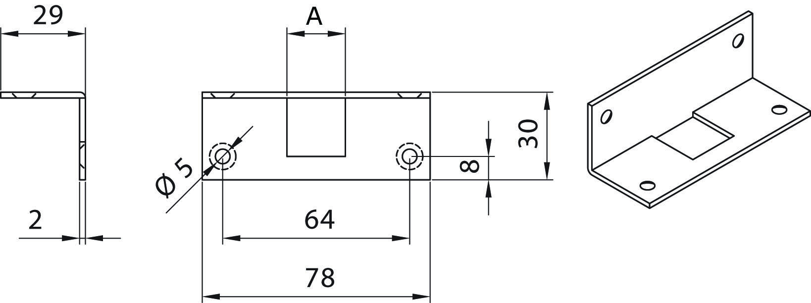
Wanneer een pompespagnoletsluiting vergrendeld wordt in een houten kozijn of drempel is een hoeksluitplaat een goede optie. Door de hoeksluitplaat over het in het kozijn of drempel geboorde gat te monteren voorkom je dat een gat zich in de loop der tijd verder uitholt. Tevens oogt het netter. Zo voorkom je schade aan je kozijn of drempel en creëer je een nette afwerking.
Ben je op zoek naar een complete en inbraakwerende sluiting voor stolpdeuren? Bekijk dan onze SKG**® Espagnoletsluiting.
Talhoutweg 11-15
8171 MB Vaassen
Nederland
+31-578579231












