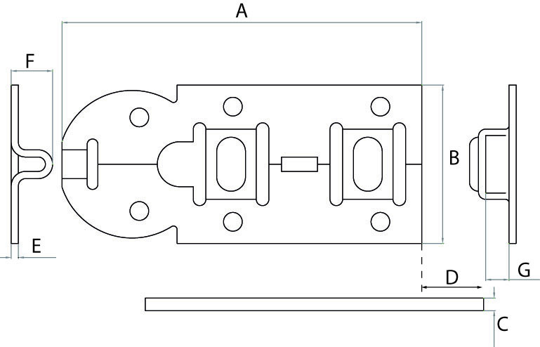
DX rolschuiven worden voornamelijk gebruikt om een gelijkliggende poort of tuinhek vast te zetten, maar kunnen natuurlijk ook binnenshuis op bijvoorbeeld een voorraadkast of luik worden gebruikt. Deze verzinkte schuiven lopen letterlijk en figuurlijk op (kunststof) rolletjes en zijn verkrijgbaar in vijf verschillende maten (variërend van 100 tot 200 mm). Bovendien zijn ze zeer geschikt voor buitengebruik. Zowel montage als gebruik is kinderlijk eenvoudig. Met schroeven plaats je de schuif met slotoog en het slotplaatje in een handomdraai op het hout, waarna je de schuif snel en eenvoudig dichtschuift.
Het betreft hier een vlak model wat inhoudt dat deze gemaakt is voor gelijkliggende deuren, hekken of poorten. Heb je te maken met een deur die verder naar achteren ligt? Gebruik dan deze rolschuif met bocht. Tot slot is deze schuif zowel links en rechts als horizontaal en verticaal te gebruiken.
Wist je dat er ook een soortgelijke rolschuif bestaat die je af kunt sluiten met een hangslot? Dat is bijvoorbeeld ideaal voor ’s nachts of op afgelegen plekken Klik hier om deze te bekijken.
Talhoutweg 11-15
8171 MB Vaassen
Nederland
+31-578579231













Wegens onderhoud aan ons systeem is het helaas niet mogelijk om een bestelling te plaatsen.
De winkelwagen kan nog wel gevuld worden, alleen kan deze niet geplaatst worden.
Excuus voor het ongemak!