Een ruimte ventileren of de deur openzetten voor een vrije doorloop? Zet deuren tot 60kg in de utiliteits- of woningbouw eenvoudig open met deze zamac deurvastzetter met voetstift. Het grote voordeel van deze deurvastzetter met voetstift is de eenvoudige bediening en het feit dat de deur op elke gewenste stand eenvoudig vastgezet kan worden.
De rubberen dop zorgt er zowel op gladde als stroeve ondergronden voor dat de deur open blijft staan en de voetstift is eenvoudig met de voet te bedienen. De deur sluiten? Dat doe je tevens met je voet, waardoor je nooit hoeft te bukken.
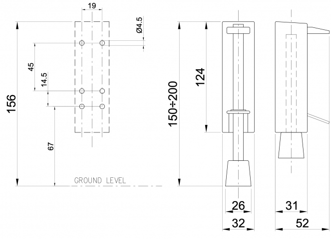
Deze deurvastzetter met een lengte van 122 mm is zeer eenvoudig aan de binnenkant van de deur te bevestigen en verkrijgbaar in het zilvergrijs, wit en zwart.
Talhoutweg 11-15
8171 MB Vaassen
Nederland
+31-578579231












