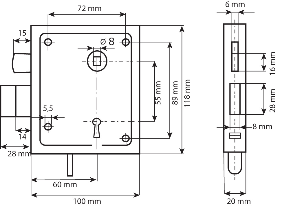
Wordt jouw schuttingdeur of poort regelmatig gebruikt om achterom te lopen, bijvoorbeeld door buitenspelende kinderen? Dan is een poortslot een goed idee. Een poortslot is aan beide kanten te vergrendelen en heeft zowel een hef- als nachtschoot. Overdag sluit je met de deurklink de tuindeur, waardoor je zelf genoeg privacy houdt maar de kinderen wel in en uit kunnen lopen. ’s Avonds, of wanneer je weggaat, vergrendel je de nachtschoot met de bontebaardsleutel.
Het poortslot is als oplegslot gemakkelijk te monteren en wordt geleverd inclusief een dubbele zwarte deurkruk en schild. Zo schaf je in één keer alles aan om jouw poort goed af te sluiten.
Op zoek naar een poortslot die je opent met dezelfde sleutel als de voor- of achterdeur? Bekijk dan dit poortslot voor profielcilinders.
| Artikel | Labelcode | MBH | materiaal | finish | verpakking | Bestel | |
| 0160.095.5650 | UKS BB 55/65B | 6 | staal | verzinkt | bulkverpakking | ||
| «5260.195.5650 | VERVALLEN | 4 | staal | verzinkt | retailverpakking | ||
Talhoutweg 11-15
8171 MB Vaassen
Nederland
+31-578579231












