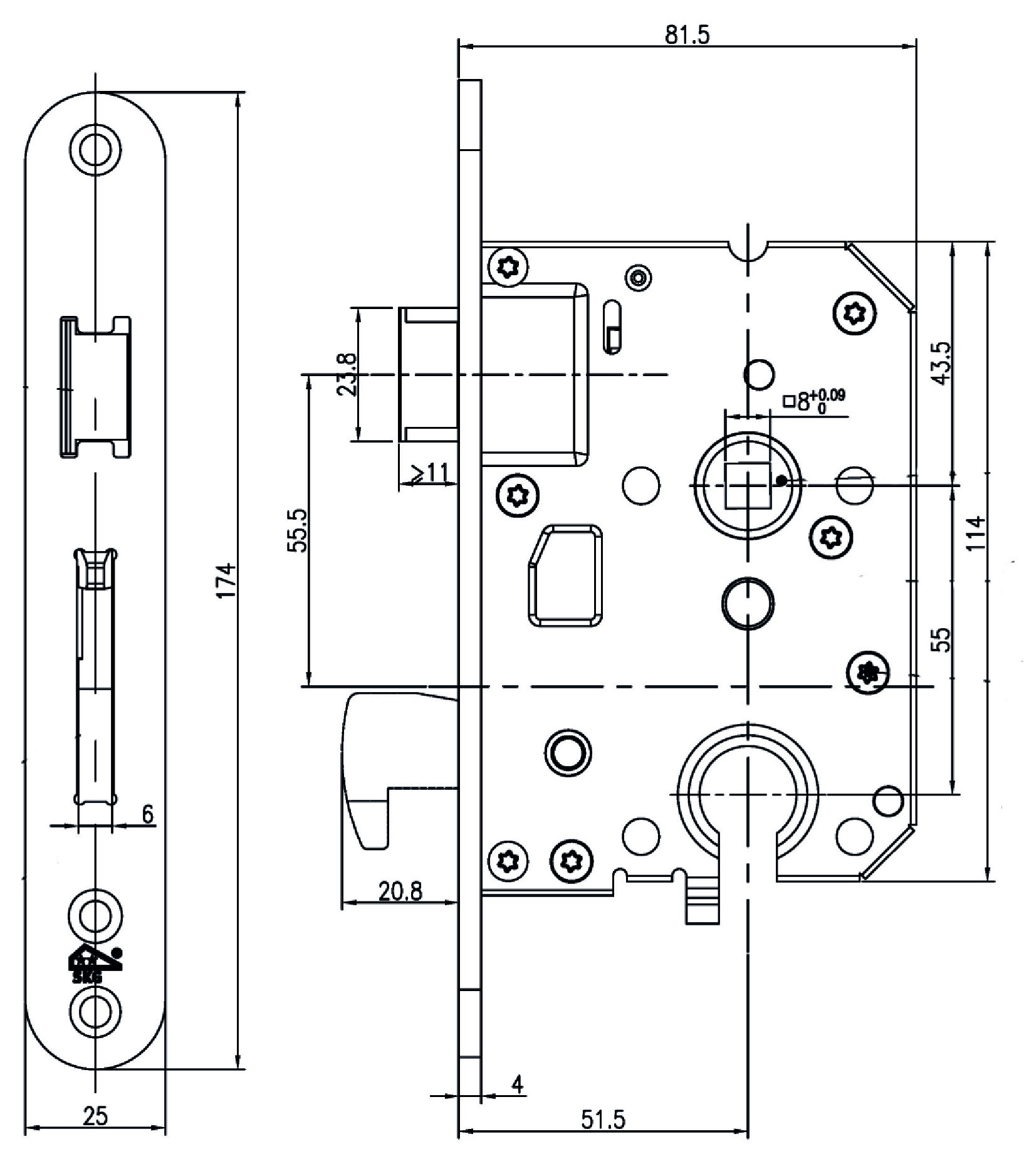
Een nieuw hoofdslot voor jouw achterdeur of tuindeuren? Of een bestaand hoofdslot vervangen? Met dit SKG** gekeurde DX veiligheids haakslot heb je de perfecte duurzame oplossing. De afmetingen van dit insteekslot zijn volledig afgestemd op de standaard freesmallen voor PC 55 insteeksloten. Doordat het slot afgestemd is op PC 55 freesmallen is die zowel in renovatie- als in nieuwbouwprojecten toepasbaar. Het slot is universeel toepasbaar met alle EURO profielcilinders en is zowel voor links- als rechtsdraaiende deuren te gebruiken. In drie eenvoudige stappen is de dagschoot om te draaien.
De geborstelde RVS voorplaat zorgt voor een esthetische oplossing waarbij er keuze is uit een voorplaat met rechte of ronde hoeken. Je kiest voor de voorplaat met ronde hoeken wanneer de deur inclusief slotuitsparing geleverd wordt, of wanneer je zelf met een speedboor machinaal de uitsparing maakt. Wanneer je handmatig met hamer en beitel aan de slag gaat, is de voorplaat met rechte hoeken een betere keuze.
Tot slot voldoet dit product, wanneer je het combineert met een SKG** profielcilinder, aan alle eisen om binnen het Politiekeurmerk Veilig Wonen toegepast te worden. Het PKVW adviseert om naast een veiligheidshoofdslot ook aanvullende inbraakwerende producten, zoals een insteekbijzetslot, oplegraamslot of raamboompje op jouw raam of deur toe te passen.
Op zoek naar bijpassende veiligheidsgarnituren? Bekijk ons assortiment veiligheidsschilden , deurkrukken en deurknoppen.
| Artikel | Labelcode | MBH | model voorplaat | vergrendeling | Bestel | |
| 0160.295.6000 | DNSV-55HK RH | 4 | recht | cilinder met minimaal SKG® (niet inbegrepen) | ||
Labelcode DNSV-55HK RH MBH 4 model voorplaat recht vergrendeling cilinder met minimaal SKG® (niet inbegrepen) | ||||||
| 0160.295.6050 | DNSV-55HK RO | 4 | afgerond | cilinder met minimaal SKG® (niet inbegrepen) | ||
Labelcode DNSV-55HK RO MBH 4 model voorplaat afgerond vergrendeling cilinder met minimaal SKG® (niet inbegrepen) | ||||||
Talhoutweg 11-15
8171 MB Vaassen
Nederland
+31-578579231












